- #16246 [Pilotrol], 23-08-03 08:03下圖是中期型BBC AM8/1線路線圖!

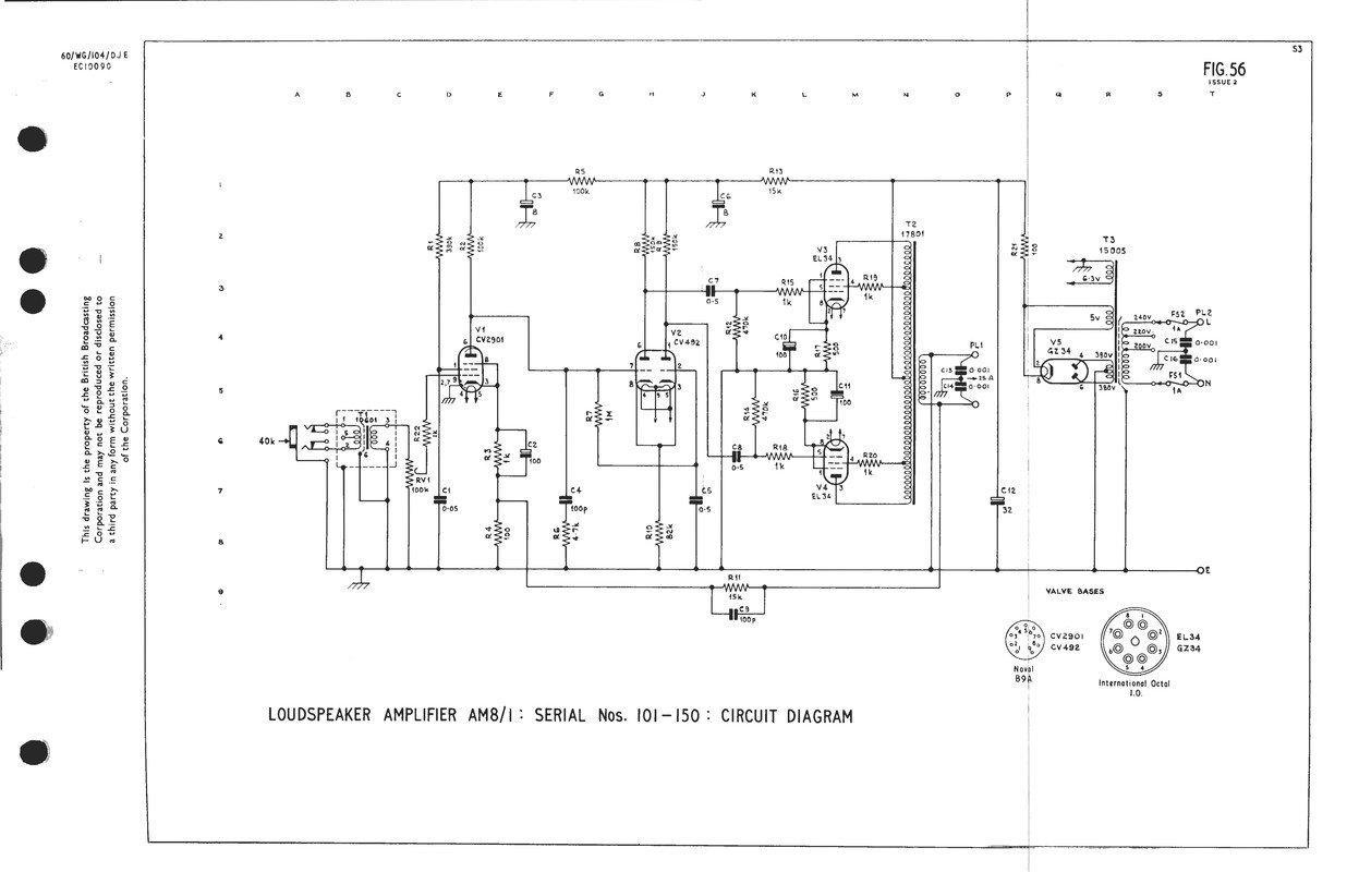
 - #16245 [Pilotrol], 23-08-03 08:02剛剛收倒Icefox兄代朋友問有關BBC AM8/1線路線圖! 下圖是後期型BBC AM8/1線路線圖!

最後修改時間: 2023-08-03 08:03:20 - #16244 [Pilotrol], 23-08-02 08:12Kerr McCosh於1961年推出的Kerr McCosh DS1立體聲器前級放大器和Kerr McCosh CWA 10後級放大器一套西裝!

 - 
 - #16243 [rcwy], 23-08-01 19:25
單看圖片, C300 前級確是一部十分認真的音響製作, 設計及用料講夠, 定是 collector 的 item。
https://www.ebay.co.uk/itm/Vintage-The-Radio-Craftsmen-300-Hi-Fi-Tube-Equalizer-Preamplifer-PreAmp-12AX7-/195903060860?hash=item2d9cbb7b7c%3Ag%3ArDAAAOSwIGRkvwfg&amdata=enc%3AAQAIAAAA0Lplka6Ljl2vMecxYdYUk4PDpP6r6pJvHSWJ5fzksRktFN0yJ79ZVoRA40Bj%2FI785K4jyREcdk%2BAPiYDIu3sKmgum7OnF%2BPNsXaIZ2lndgUhbZkyInTyFIbjyKF%2BJLOadSYEc%2BNrnHYMPuGbylPUOz1c5OP76GWUZDjzhuFlF0TXY2%2BXglcE34XHDIhiFSOBTn4BntpPwKsjCNK05lMFxO6sKf1RWiBsoB4z7QrgWevw76igj6mJx3Xx63C%2BxWLR5ElEykZA0TJxVuZbvUd6UEU%3D%7Ctkp%3ABk9SR66p7oy2Yg&nma=true&si=APsMfw3LPfiTDPmVbTsh9jgAtpg%253D&orig_cvip=true&nordt=true&rt=nc&_trksid=p2047675.l2557
最後修改時間: 2023-08-01 19:28:46 - #16242 [Pilotrol], 23-08-01 08:05剛剛見倒一隻Radio Craftsmen C300在Ebay超筍價成交咗! 此機是Radio Craftsmen於1952年推出的第一代前級放大器,當年主要是配合Radio Craftsmen C500後級放大器一同使用!此機也是50年代初(直至1953年)用膽最多的單聲道前級(1支12AV6加上4支12AX7)!

最後修改時間: 2023-08-01 08:08:10 - #16241 [Pilotrol], 23-08-01 07:07當年小弟的一對Brook 7!

最後修改時間: 2023-08-01 07:08:08 - #16240 [Pilotrol], 23-08-01 07:04其實十幾年前Ginger和兄你來小弟家訪時聽過一次,不過可能當時沒有告訴大家那就是Brook 7吧!
最後修改時間: 2023-08-01 07:06:58 - #16239 [rcwy], 23-08-01 05:20
經常被古董 Brook 7 金色面板吸引到,但從未有機會聽過一對出到聲的 Brook 7。設計用料裝作 與 長期可靠聲音表現 常有直接的關係,看來它的問題不少呢。 - #16238 [Pilotrol], 23-07-31 06:09Brook 7前級放大器是Brook最後一代的前級放大器,這部前級放大器是由Brook創辦人Lincoln Walsh負責設計並於1953年推出。此機的特色是是聲音高音至中音段十分清晰真實,分析力和控制力出色,低音段也結實穩定,整體厚度感和聲音線條感都出色!缺點是柔力表現較為遜色!

 - #16237 [Pilotrol], 23-07-28 07:25Altec 9063B是Altec於60年代未推出的Program Equalizer,此機是Altec 9063A的後繼型號,也是Arthur Davis最後的作品! 當年主要在專業錄音室中服役!

最後修改時間: 2023-07-28 07:33:57 - #16236 [Pilotrol], 23-07-25 09:04其實Philips推廣Mullard 5-20線路同Mullard 5-10線路,主要目的都係賣膽! Wililamson線路在二戰後至50年代初都是英系機種主流設計,直至50年代中打後英系機種大部份才轉為以Mullard 5-20和Mullard 5-10線路為基礎!
 - #16235 [rcwy], 23-07-24 19:42Mullard 5-20 = 用5支膽出20火 watt
記憶中,Mullard 5-20 設計特點:
1) 第一支膽採用5極高增益例如 EF86
2) 高增益後採用深度負回輸令膽機工作穩定,整體失真下降
3) 採用長尾分相 phase-splitting 兩支3極膽(即 ECC83 的兩邊)各自產生正/負半波強大推力,分別各推一支強放5極膽 EL34
4) 採用超線性 ultra-linear 輸出:EL34 強放功能回饋入 output 牛初端的 10-30% 抽頭,有效壓低5極膽 EL34 五極失真
5) 膽機輸出牛 output transformer 係膽機靈魂完美整合EL34 的正負半波成為美妙音樂!
所以,超線性膽機係好嘢嚟㗎。
最後修改時間: 2023-07-24 19:51:31 - #16234 [rcwy], 23-07-24 19:12
Mullard 5-20 = 用5支膽出20火 watt
記憶中,Mullard 5-20 設計特點:
1) 第一次膽採用5極高增益例如 EF86
2) 高增益後採用深度負回輸令膽機工作穩定,整體失真下降
3) 採用長尾分相 phase-splitting 兩支3極膽(即 ECC83 的兩邊)各自產生正/負平波強大推力,分別各推一支強放膽 EL34
4) 採用超線性 ultra-linear 輸出:EL34 強放功能回饋入 output 牛初端的 10-30% 抽頭,有效降低5極膽 EL34 的失真率
5) 膽機輸出牛 output transformer 係膽機靈魂完美整合EL34 的正負半波成美妙音樂
所以,超線性膽機係好嘢嚟㗎。?
最後修改時間: 2023-07-24 19:40:25 - #16233 [rcwy], 23-07-24 19:10對啊!謝謝分享!
還有 EICO ,改變 Mullard 5-20 設計改得更為重手,
例如 HF-50 及 60 由 self-biasing 改到 fixed bias
榨取一對 EL34 最後的出力 watt 功率。
最後修改時間: 2023-07-24 19:13:52 - #16232 [Pilotrol], 23-07-24 06:21其實BBC AM8/4嘅設計都係由Mullard 5-20線路演法出來(供電部份簡化,輸入和輸出段有修改,但基本放大級進和負回輸方式沒有太大改動),但BBC AM8/4實則上係有三期,每期線路設計都有些微修改! 事實上原裝Mullard 5-20製作成本是比較高,而50年代很多廠機例如Armstrong A11,Audiomaster A10、Beam Echo DL7-35 etc也是基於Mullard 5-20線路演法出來的,只是綠路和用料略有改變!

最後修改時間: 2023-07-24 06:28:55 - #16231 [Pilotrol], 23-07-24 04:50Lansing 812是Lansing Manufacturing Company (JBL和Altec前身)於1936年推出的家庭用旗艦揚聲器,此機是Lansing Iconic的家用版本! 內置Lansing 801號角高音單元配Lansing 808號角,Lansing 815 15吋低音單元和Lansing 800分音器! 當年Lansing 812產量比Lansing Iconic還少,今天在市場上屬超稀有品!

 - #16230 [rcwy], 23-07-23 02:27
Thank you! That is most helpful.
I remember that some 20 years ago I asked the biggest collector of vintage BBC amps in HK about the circuit diagram. The collector said the amp should follow the official Mullard 5-20 simple circuit...
No! It is not.
Sound Sales in the UK adapted the Mullard 5-20 circuit somehow like EICO in the USA: take away the smoothing choke, etc...
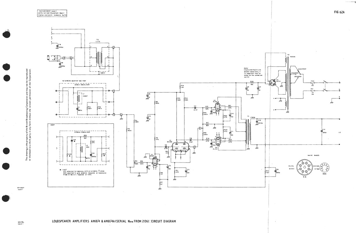
最後修改時間: 2023-07-23 02:30:51 - #16229 [Pilotrol], 23-07-23 02:05The schematic of late version BBC AM8/4.

 - #16228 [Pilotrol], 23-07-23 02:04Dear Richard Hing
The schematic of second version BBC AM8/4.
Best regards
Alan
 - #16227 [rcwy], 23-07-21 20:18
Dear Allan,
Do you have the official schematics for the pictured amp from Sound Sales?
Thanks in advance.
 - 下一頁 (40.25 of 851)
 - 返回 ...
 
